上海恒點傳動設備有限公司
加微信聯系 恒點減速機QQ2:51228482
[HTML] [XML]  産品展示産品展示-RSS  新聞中心新聞中心-RSS  技術支持技術支持-RSS
産品分類: 減速機蝸輪絲杆升降機轉向箱蝸輪蝸杆減速機齒輪減速機行星齒輪減速機擺線針輪減速機無級變速機大功率減速器
上海恒點傳動設備有限公司
當前位置:網站首頁 > MB無級變速機 > 基本型安裝示例,外形尺寸與安裝尺寸

基本型安裝示例,外形尺寸與安裝尺寸 - MB無級變速機

快速切換 選型參數及尺寸參數
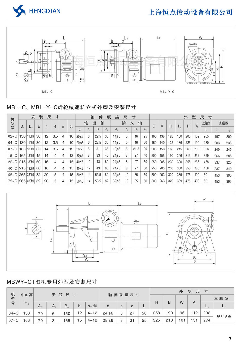
   MB無級變速機的基本型安裝示例,外形尺寸與安裝尺寸,包括MB無級變速機卧式與立式的基本型,配一級齒輪的尺寸,配一級齒輪的尺寸,配陶機專用外形尺寸.MB無級變速機的基本尺寸圖
MB無級變速機—基本型安裝示例,外形尺寸與安裝尺寸
MB無級變速機—基本型安裝示例,外形尺寸與安裝尺寸
MB無級變速機—基本型安裝示例,外形尺寸與安裝尺寸
MB無級變速機—基本型安裝示例,外形尺寸與安裝尺寸
MB無級變速機—基本型安裝示例,外形尺寸與安裝尺寸
關閉本頁】 【打印本頁回到頂部
上一篇 上一篇:MB變速機的型号表示方式及型号規格表 下一篇 下一篇:MB變速機與擺線減速機組合的參數及安裝尺寸

MB無級變速機 詳細選型參數及尺寸參數:

1 - 無級變速機的産品概述 2 - MB變速機的型号表示方式及型号規格表
3 - 基本型安裝(zhuāng)示例,外形尺寸與(yǔ)安裝(zhuāng)尺寸 4 - MB變速機與擺線減速機組合的參數及安裝尺寸
5 - MB與RV系列減速機組合的性能參數及外形安裝尺寸

電 話:021-22815912  021-22816186  傳 真:021-32050712   郵箱 :sales@021jsj.cn  減速機 絲杆升降機 轉向箱 蝸輪蝸杆減速機
Copyright©2009-2026上海恒點傳動設備有限公司 版權所有  地址:上海市金山區亭林鎮林寶路39号  郵編:200442  滬ICP備10206998号-2 
友情鏈接機械設備網 | 渦街流量計 | 輸送機 | 變頻控制櫃 | 破碎機 | 工業同城 | 手持終端 | 柴油發電機 | uv平闆打印機 | 風淋室 | QUV | 防火門 | 九愛圖紙 | 感應加熱設備 | 輸送帶廠家 | 噪聲治理 | 西門子plc | 拖鏈電纜 | AGV | 機械雜志 | 現代機械 | UWB高精度定位 |